
一、概述及特點
JCQF集成氣制動閥用于水電水輪發電機組轉速下降到額定轉速35-40%時,接受轉速信號繼電器的電氣信號,使此閥中制動電磁閥動作,將壓縮空氣通往制動腔,加速機組停機。當機組停機后,電氣信號使復歸閥動作,將制動腔復歸。在該閥上的電磁閥帶有手動功能,實現手動操作功能。同時在該閥上設有手動轉閥,實現手動操作功能。 機電一體化設計體積小,功能齊全。具有雙重手動功能,操作更簡便;具備手動、自動獨立工作,性能可靠。
二、型號說明

例1:JCQF-10-8-0.8-DC220表示氣制動集成閥的公稱通徑為10mm,到壓力表的管內徑為8mm,介質額定壓力為0.8MPa,工作電源為直流DC220
注:要求管螺紋或公制螺紋連接的請加說明或在型號中直接填寫如ZDK-G3/8-G1/4-0.8-DC220V
管內徑、外徑、卡套連接、螺紋連接對照表
|
公稱通徑
(mm) |
3 |
3.5 |
4 |
6 |
8 |
10 |
12 |
14 |
15 |
17 |
19 |
|
卡套連接
(管外徑) |
4 |
5 |
6 |
8 |
10 |
12 |
14 |
16 |
18 |
20 |
22 |
|
英制管
螺紋連接 |
G1/8" |
G1/4" |
G3/8" |
G1/2" |
G3/4" |
|
公制
螺紋連接 |
M10×1 |
M12×1.5 |
M14×1.5 |
M16×1.5 |
M18×1.5 |
M22×1.5 |
M27×2 |
三、主要技術參數
1)、工作氣壓:0.3 - 1.0MPa;
2)、工作電壓:DC24V、48V、110V、220V或AC220V;
3)、公稱通徑(卡套式):常用:8mm;10mm;12mm;15mm(管內徑)
4)、接壓力表通徑:常用:4mm;6mm;8mm (管內徑)
5)、進出氣連接均為標準管接頭(GB3733.1);
6)、適用無腐蝕性氣體(請選用經凈化,含潤滑油的壓縮空氣);介質溫度小于60℃。
四、操作
1、自動操作:
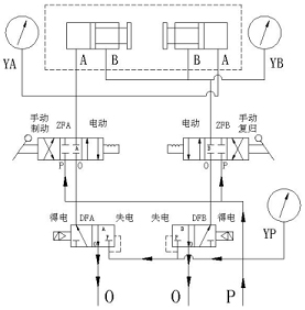
自動控制時,先導閥的手動旋鈕必須處于“—”水平位置;手動轉閥的手柄在自動位置上(手柄朝下)
①、當制動電磁閥(正面左)通電,復歸電磁閥(正面右)不通電;壓力氣從P腔進入電磁閥到手動轉閥至工作腔A,工作腔B通向O腔,實現自動制動;制動電磁閥失電,制動腔氣體從0腔排出。
②、當復歸電磁閥(正面右)通電,制動電磁閥(正面左)不通電;壓力氣從P腔進入電磁閥到手動轉閥至工作腔B,工作腔A通向O腔,實現自動復歸;復歸電磁閥失電,復歸腔氣體從0腔排出。

1、電磁換向閥 2、電磁換向閥手動旋鈕 3、手動轉閥1 4、集成塊 注:圖示 P-接至壓力氣源 A、B-接至工作腔 a1、a2、a3-接至壓力測量儀表(或用堵頭堵住)
O---通往排氣口,&nb, sp; K向圖中的140(以中心線各70mm)、38的三個孔均為安裝固定的M8螺絲孔.
2、手動操作:
A、操作方式一:
①、 在電磁閥斷電的情況下,旋轉手動轉閥(正面左),實現手動操作,手動轉閥的手柄轉到“手動”位置(手柄朝上)時,壓力氣P經過手動轉閥從工作腔A供出,實現手動制動,同時切斷電磁閥
工作腔氣源;制動完畢后旋轉手動轉閥到自動位,排出制動腔氣體。
②、在電磁閥斷電的情況下,旋轉手動轉閥(正面右),實現手動操作,手動轉閥的手柄轉到“手動”位置(手柄朝上)時,壓力氣P經過手動轉閥從工作腔B供出,實現手動復歸,同時切斷電磁閥工作腔氣源;復歸完畢后旋轉手動轉閥到自動位,排出復歸腔氣體。
B、操作方式二:(沒有特殊情況不建議合用些操作)
手動轉閥的手柄在自動位置上(手柄朝下),工作電源消失時。
①、旋轉電磁閥1上的手動旋鈕(順時針),壓力氣體P經過電磁閥1從工作腔A供出,實現手動制動;制動完畢后逆時針旋回旋鈕,排出制動腔氣體。
②、旋轉電磁閥2上的手動旋鈕(逆時針),壓力氣體P經過電磁閥2從工作腔B供出,實現手動復歸;復歸完畢后順時針旋回旋鈕,排出復歸腔氣體。
五、注意事項
1、 手動閥
①、手動閥切換過程漏氣,是因為手動閥切換不到位。把手動閥切換到相應位置,讓定位銷定位即可;
②、手動閥磨損漏氣;將手動閥中閥芯體適當調緊即可;若閥芯體被切壞,則需更換閥芯。 2、自動不動作原因
①、檢查手動閥是否置于自動位置;
②、氣源是否有正常;
③、先導閥旋鈕“—”是否處于水平位置;
④、先導閥是否通電,電源電壓、交流或直流是否正確;
⑤、先導閥漏氣,清洗先導閥;
3、進入該閥的氣源壓力氣必需經過過濾器及氣水分離等。
4、自動工作時,兩個電磁閥不能同時得電。
六、工作原理 (參見工作原理圖和外形尺寸圖)

|