
適用:發電機軸瓦、上導、下導、水導、空氣、油、推力瓦等溫度傳感器。
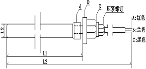
一、傳感器示意

二、傳感器參數
1)、WZC-200、WZC-201參數
|
型號 |
分度號 |
安裝形式 |
保護管材料 |
測量范圍 |
D |
S |
d |
|
WZC-200 |
Cu50 |
管螺紋G1/2 |
1Cr18NiTi |
-50~100℃ |
34 |
27 |
12 |
|
WZC-201 |
Cu50 |
螺紋M27X2 |
1Cr18Ni9Ti |
-50~100℃ |
40 |
32 |
12 |
2)、WZP-200、WZP-201參數
|
型號 |
分度號 |
安裝形式 |
保護管材料 |
測量范圍 |
D |
S |
d |
|
WZP-200 |
Pt100 |
管螺紋G1/2 |
1Cr18NiTi |
-50~100℃ |
34 |
27 |
12 |
|
WZP-201 |
Pt100 |
螺紋M27X2 |
1Cr18Ni9Ti |
-50~100℃ |
40 |
32 |
12 |
3)、傳感器長度規格系列尺寸與代號
|
代號
規格 |
1 |
2 |
3 |
4 |
5 |
6 |
7 |
8 |
9 |
10 |
F |
|
L1(插深)mm |
100 |
150 |
200 |
250<, /SPAN> |
260 |
300 |
340 |
360 |
400 |
450 |
其他 |
|
L2(總長)mm |
550 |
600 |
650 |
700 |
710 |
750 |
790 |
810 |
850 |
900 |
其他 |
1、國家標準WZC-200包含G1/2、M27X2兩種螺紋。我廠為選型方便將管螺紋G1/2。定型為WZC-200,將普通螺紋M27X2定型為WZC-201。
2、不在該長度尺寸的請注明要求的尺寸規格。
3、A是單獨一端,B、C是并連端。
4、例如WZC-200-2:表示Cu50傳感器,螺紋G1/2,插入深度150mm長,總長550mm。直徑12mm。
5、例如WZP-201-3:表示Pt100傳感器,螺紋M27×2,插入深度200mm長,總長550mm。直徑12mm。
|