
YHJ型油混水監控裝置由傳感器、變送器、顯示儀表組成。用于檢測潤滑油、透平油、變壓器油的含水率,同時設有報警信號,當含水率超過設定值時發出電信號。
特點:本儀表采用單片機為核心,可靠性和準確度高。含水率由四位LED數碼管直觀顯示;發迅值有開關量和模擬量或485標準串口輸出。
一、主要技術參數
1、供電電源:AC220V、50Hz、DC220V;
2、測量范圍:0~5%;0~20%
3、輸出方式:(1)開關量輸出:3A/220V
(2)模擬量輸出:4~20mA;0-10mA; 0~5V; 1-5V
(3)RS485標準串口輸出
4、環境條件:溫度0~60℃,相對濕度<90%;
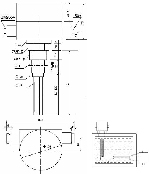
5、固定螺紋M36×1.5mm(特殊按用戶要求定做)
6、傳感器長度最短L≥176mm(特殊按用戶要求定做)
7、儀表外型尺寸160×80×130mm
8、儀表開孔尺寸152×76mm
二、型號

注:1、傳感器和儀表為單配,無互換性一般必須同時采購,儀表無法帶信號輸出
2、變送器帶標準信號輸出,有互換性,可以和儀表分開采購,儀表可帶信號輸出
三、結構及安裝

“L1”長度范圍130mm必須全部浸入油中,并且電極距離油箱壁“A”及“B”大于3mm以上。
|